Opis
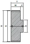
producent SIT wymiary 0 x 68,89 x 30 Waga 0,314 kg bo – szerokość paska [mm] 25 cecha z piastą cecha bez obrzeży cecha koło z nakiełkami cecha na życzenie wykonujemy pełną obróbkę CNC wg wzoru lub rysunku H [mm] 38 liczba zębów [szt.] 44 materiał aluminium S [mm] 68,89 typ produktu koło pasowe zębate W [mm] 30 Y [mm] 40 Z – głębokość [mm] 10 wykonanie 1A profil 5M R [mm] 70,03







