Opis
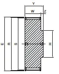
producent SIT wymiary 0 x 166,6 x 54 waga 10,42 kg bo – szerokość paska [mm] 40 cecha z piastą cecha koło z obrzeżami cecha koło z nakiełkami cecha na życzenie wykonujemy pełną obróbkę CNC wg wzoru lub rysunku E [mm] 183 H [mm] 141 liczba zębów [szt.] 38 materiał stal węglowa C45 / 1.0503 / AISI1045 S [mm] 166.6 typ produktu koło pasowe zębate W [mm] 54 Y [mm] 69 Z – głębokość [mm] 15 wykonanie 1 profil 14M R [mm] 169.34







