Opis
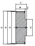
producent SIT wymiary 0 x 139,88 x 102 waga 12,33 kg bo – szerokość paska [mm] 85 cecha z piastą cecha koło z obrzeżami cecha koło z nakiełkami cecha na życzenie wykonujemy pełną obróbkę CNC wg wzoru lub rysunku E [mm] 154 H [mm] 114 liczba zębów [szt.] 32 materiał stal węglowa C45 / 1.0503 / AISI1045 S [mm] 139.88 typ produktu koło pasowe zębate W [mm] 102 Y [mm] 117 Z – głębokość [mm] 15 wykonanie 1 profil 14M R [mm] 142.6







