Opis
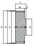
producent SIT wymiary 0 x 126,44 x 102 Waga 0 kg bo – szerokość paska [mm] 85 cecha z piastą cecha koło z obrzeżami cecha koło z nakiełkami cecha na życzenie wykonujemy pełną obróbkę CNC wg wzoru lub rysunku E [mm] 134 H [mm] 107 liczba zębów [szt.] 29 materiał żeliwo szare S [mm] 126,44 typ produktu koło pasowe zębate W [mm] 102 Y [mm] 117 Z – głębokość [mm] 15 wykonanie 1 profil S14M R [mm] 129,23







