Opis
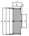
producent SIT wymiary 0 x 50,78 x 32 Waga 0,6 kg bo – szerokość paska [mm] 100 (1″=25,4 mm) cecha z piastą cecha koło z obrzeżami cecha koło z nakiełkami cecha na życzenie wykonujemy pełną obróbkę CNC wg wzoru lub rysunku E [mm] 57 H [mm] 37 liczba zębów [szt.] 17 materiał stal węglowa C45 / 1.0503 / AISI1045 S [mm] 50,78 typ produktu koło pasowe zębate W [mm] 32 Y [mm] 46 Z – głębokość [mm] 14 wykonanie 1 profil L R [mm] 51,54







