Opis
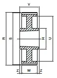
producent SIT wymiary 0 x 227,58 x 45 Waga 0 kg bo – szerokość paska [mm] 36 cecha z piastą cecha bez obrzeży cecha otwór pod Taper Lock H [mm] 160 liczba zębów [szt.] 90 materiał żeliwo szare S [mm] 227,58 typ produktu koło pasowe zębate W [mm] 45 współpracuje z Taper Lock 3020 Y [mm] 51 Z – głębokość [mm] 3 wykonanie 11A profil 8M GTR ds [mm] 0 R [mm] 229,18 U [mm] 204







