Opis
12010689 CORTECO 45×65/70×10 ACM BASLRD Parametry techniczne:
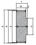
średnica zewnętrzna 1: 70 mm
średnica zewnętrzna 2: 65 mm
średnica wewnętrzna: 45 mm
wysokość: 10 mm
materiał: ACM
rodzaj gwintu: gwint prawoskrętny
ochrona przeciwpyłowa: z uszczelką wargową przeciwpyłową







