Opis
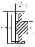
producent SIT wymiary 0 x 150,97 x 21 waga 0,97 kg bo – szerokość paska [mm] 16 cecha z piastą cecha bez obrzeży cecha koło z nakiełkami cecha na życzenie wykonujemy pełną obróbkę CNC wg wzoru lub rysunku H [mm] 95 liczba zębów [szt.] 48 materiał aluminium S [mm] 150.97 typ produktu koło pasowe zębate W [mm] 21 Y [mm] 31 Z – głębokość [mm] 10 wykonanie 3A profil AT10 R [mm] 152.79 U [mm] 130







