Opis
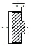
producent SIT wymiary 0 x 73,87 x 14,3 Waga 0,22 kg bo – szerokość paska [mm] 037 (3/8″=9,53 mm) cecha z piastą cecha bez obrzeży cecha koło z nakiełkami cecha na życzenie wykonujemy pełną obróbkę CNC wg wzoru lub rysunku H [mm] 52 liczba zębów [szt.] 46 materiał aluminium S [mm] 73,87 typ produktu koło pasowe zębate W [mm] 14,3 Y [mm] 25 Z – głębokość [mm] 10,7 wykonanie 1A profil XL R [mm] 74,38







