Opis
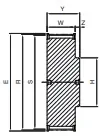
producent SIT wymiary 0 x 103,74 x 85,7 waga 5,97 kg bo – szerokość paska [mm] 300 (3″=76,2 mm) cecha z piastą cecha koło z obrzeżami cecha koło z nakiełkami cecha na życzenie wykonujemy pełną obróbkę CNC wg wzoru lub rysunku E [mm] 112 H [mm] 85 liczba zębów [szt.] 26 materiał stal węglowa C45 / 1.0503 / AISI1045 S [mm] 103.74 typ produktu koło pasowe zębate W [mm] 85.7 Y [mm] 98 Z – głębokość [mm] 12.3 wykonanie 1 profil H R [mm] 105.11







