Promocja!

Autentyczny Koło pasowe zębate HD32-14M55 SIT

Pierwotna cena wynosiła: 301,40 zł.Aktualna cena wynosi: 120,56 zł.

Bezpieczna i gwarantowana płatność

Akceptowane metody płatności
  • Darmowa i szybka dostawa od 149,99 zł
  • 14 dni na zwrot i zwrot środków
  • Bezpieczne płatności z szyfrowaniem SSL
SKU: SK0033921-PL20260309-211201 Kategoria: Znacznik:

Opis

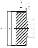
producent SIT wymiary 0 x 139,88 x 70 waga 8,92 kg bo – szerokość paska [mm] 55 cecha z piastą cecha koło z obrzeżami cecha koło z nakiełkami cecha na życzenie wykonujemy pełną obróbkę CNC wg wzoru lub rysunku E [mm] 154 H [mm] 114 liczba zębów [szt.] 32 materiał stal węglowa C45 / 1.0503 / AISI1045 S [mm] 139.88 typ produktu koło pasowe zębate W [mm] 70 Y [mm] 85 Z – głębokość [mm] 15 wykonanie 1 profil 14M R [mm] 142.6