Opis
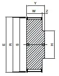
producent SIT wymiary 0 x 141,23 x 95 Waga 0 kg bo – szerokość paska [mm] 85 cecha z piastą cecha koło z obrzeżami cecha koło z nakiełkami cecha na życzenie wykonujemy pełną obróbkę CNC wg wzoru lub rysunku E [mm] 149 H [mm] 107 liczba zębów [szt.] 56 materiał żeliwo szare S [mm] 141,23 typ produktu koło pasowe zębate W [mm] 95 Y [mm] 105 Z – głębokość [mm] 10 wykonanie 1 profil S8M R [mm] 142,6







