Opis
Opis przedmiotu:
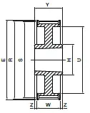
Nazwa: Łożysko skośne jednorzędowe, precyzyjne
Symbol: B7013-C-2RSD-T-P4S-UL
Ilość sprzedawana: 1szt.
Rozmiar: 65x100x18
Materiał: Stal łożyskowa
Koszyk: tekstolitowy, prowadzony na pierścieniu zewnętrznym
Materiał el. tocznego: duże kulki stalowe
Producent: CSC Parametry techniczne:
Nośność dynamiczna C [N]: 40100
Nośność statyczna Co [N]: 35300
Kąt działania [°]: 15
Prędkość graniczna w smarze [rpm]: 14000
Napięcie wstępne: lekkie napięcie wstępne
Parowanie: do uniwersalnego parowania
Precyzja: lepsza od P4







